开云中国:电源口防雷电路设计应用
2、在遇到雷电暂态过电压作用时,保护装置应具有足够快的动作响应速度,即能尽早的动作限压和旁路泄流。
3、防雷电路加在馈电线路上,不应影响设备的正常馈电。例如,采用串联式电源防雷电路时,防雷电路应可通过设备满负荷工作时的电流并有一定的裕量。
4、防护电路在系统的最高工作电压时不应动作。通常在交流回路中,防护电路的动作电压是交流工作电压有效值的2.2~2.5倍,在直流回路中,防护电路的动作电压是直流额定工作电压的1.8~2倍。
5、防雷电路加在馈电线路上,不应给设备的安全运行带来隐患。例如,应避免由于电路设计不当而使防雷电路存在着火等安全隐患。
6、在整个馈电通路上存在多级防雷电路时,应注意各级防雷电路间有良好的配合关系,不应出现后级防雷电路遭到雷击损坏而Kaiyun官网登录前级防雷电路完好的情况。
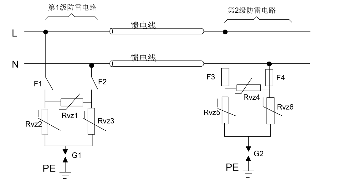
第1级防雷电路为具有共模和差模保护的电路,差模保护采用的压敏电阻。共模保护采用压敏电阻和气体放电管串联。第1级防雷电路的通流能力较高,通常在几十kA(8/20us)。第1级防雷电路宜选用空气开关做短路过流故障的保护器件。
第2级防雷电路的形式与第1级相同,合理设计第1级电路和第2级电路间的电感值,可以使大部分的雷电流通过第1级防雷电路泄放,第2级电路只泄放少部分雷电流,这样就可以通过第2级电路将防雷器的输出残压进一步降低以达到保护后级设备的目的。第2级防雷电路应选用保险作保护器件。
防护电路中各保护器件的通流量的选择应达到设计指标的要求并有一定裕量;差模压敏电阻的压敏电压取值可按压敏电阻章节给出的方法选择;压敏电阻和气体放电管串联的共模防护电路中,压敏电阻、空气放电管的取值仍可按压敏、放电管单独并接在线路中时的相关章节给出的计算方法来选取。
变型电路1将原电路中的电感换成了一定长度的馈电线。规定长度的馈电线所具有的电感量与原电路中电感的感值是基本相同的。将电感换成馈电线的优点是:在设备的工作电流很大的情况下,合理的选择馈电线线径就可以满足给设备供电的需求,克服了在设备供电电流很大时,空心电感的体积过大而无法在电路上实现的问题。第1级的防护电路和第2级的防护电路可以分别放置在两Kaiyun官网登录个不同的设备中实现,例如:将第1级防护电路设计为一个独立的防雷箱,将第2级防雷电路内置于通信设备中。
由于去掉了电感,变型电路1可以看作为两个并联式的防雷电路。当这两级防雷电路做成两个单独的防雷器时,需要注意防雷器的安装问题。
变型电路2是交流防雷电路的简化设计:只保留防雷电路中的第1级防雷电路或者第2级防雷电路,其它设计要点同交流电源口防雷电路。
电路a在后级电路抗浪涌过电压能力较强时采用,电路b在外部具有一级保护措施时采用,一般设计在电源模块内部。变形电路2降低了电路的复杂性,并且由于去掉了电感,不需要考虑满足通过设备正常工作电流的需要,方案更容易实现。由于该电路去掉了电感,它由一个串联式防雷电路变成了一个并联式防雷电路。当这个电路做成一个独立的防雷器时,需要注意防雷器的安装问题。
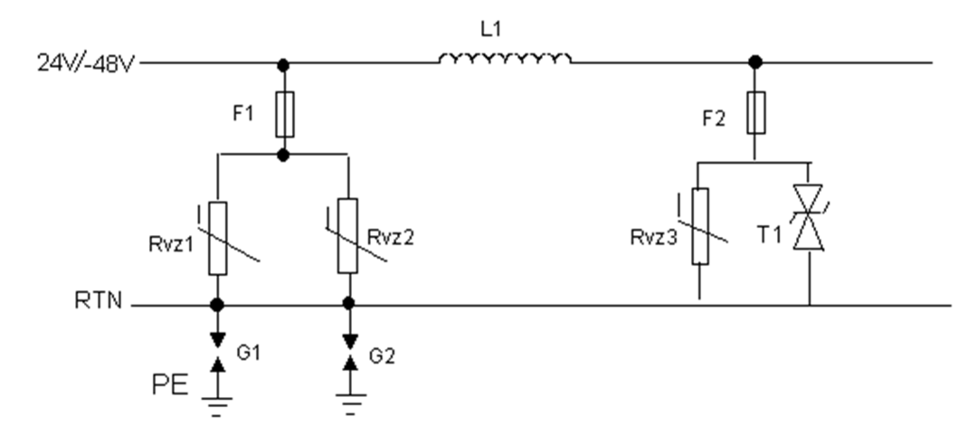
上图是一个具有串联式2级差模防护的电路,可以做到标称放电电流5kA,电路原理简述如下:
第1级采用两个压敏电阻并联的差模保护,两个气体放电管并联进行共模保护(注:这里选用两个器件并联的目的是降低残压和增大通流能力,在使用单个器件满足要求的情况下可以只使用一个器件),可以达到标称放电电流5kA的设计指标,第2级采用压敏电阻和TVS管保护,将残压降低到后级电路能够承受的水平,其中TVS管T1推荐采用双向TVS管,可以防反接,也可以采用单向的TVS管,但具有不防反接的缺点。共模保护采用两个气体放电管并联构成的1级防护电路。该电路的优点是具有较低的输出残压,适用于后级电路抗过电压水平很低的情况。防雷电路中各保护元件通流量、压敏电压、反向击穿电压的选择、电感的取值可参照相关章节给出的方法进行。两级防雷电路都应选用保险做保护器件。
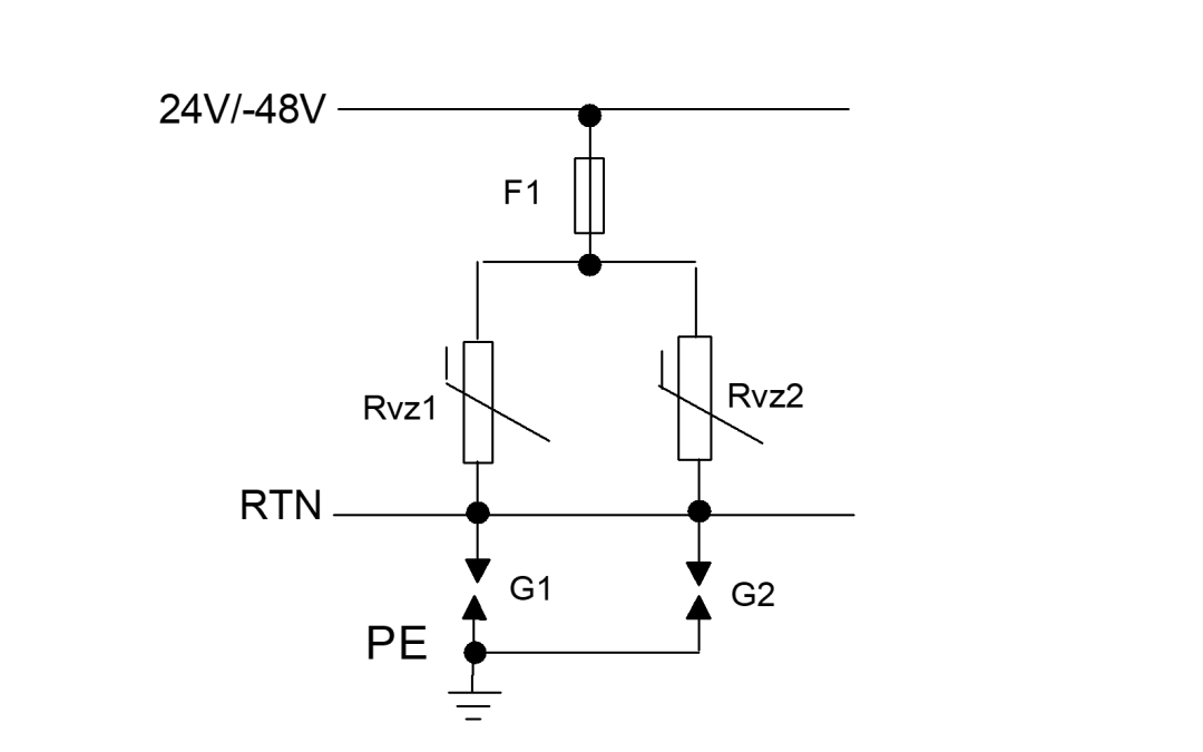
该防护电路的应用场合是后级电路的抗浪涌过电压的能力较弱,一级防雷电路不足以保护后级的设备,需要通过第2级的防雷电路将残压进一步降低。
变型电路1将图6-4直流电源口防雷电路中的电感换成了一定长度的馈电线。规定长度的馈电线所具有的电感量与原电路中电感的感值是基本相同的。将电感换成馈电线的优点是:在设备的工作电流很大的情况下,合理的选择馈电线线径就可以满足给设备供电需求,克服了在设备供电电流很大时,空心电感的体积过大而无法在电路上实现的问题。第1级的防护电路和第2级的防护电路可以分别放置在两个不同的设备中实现,例如:将第1级防护电路设计到直流高阻柜中,将第2级防雷电路内置于通信设备中。
由于去掉了电感,变型电路1可以看作为两个并联式的防雷电路。当这两级防雷电路做成两个单独的防雷器时,需要注意防雷器的安装问题。
变型电路2是直流电源口防雷电路的简化设计:保留防雷电路中的第1级防雷电路(注:这里选用两个器件并联的目的是降低残压和增大通流能力,在使用单个器件满足要求的情况下可以只使用一个器件),去掉电感及第2级防雷电路。其它设计要点同直流电源口防雷电路。
变型电路2的应用场合是在后级电路抗浪涌过电压能力较强时采用,这个方案可以降低电路的复杂性。同时由于去掉了电感,不需要考虑满足通过设备正常工作电流的需要,方案更容易实现。由于变型电路2去掉了电感,它由一个串联式防雷电路变成了一个并联式防雷电路。当这个电路做成一个独立的防雷器时,需要注意防雷器的安装问题。

